产品展示
联系我们

上海斌璩贸易有限公司
电话:021-54166658/64058050
传真:021-64058050
手机:13916843353
邮箱:sybcw700223@aiyun.com / 115016461@qq.com
地址:上海市闵行区瓶安路1358号久创科技园3号楼508室
电话:021-54166658/64058050
传真:021-64058050
手机:13916843353
邮箱:sybcw700223@aiyun.com / 115016461@qq.com
地址:上海市闵行区瓶安路1358号久创科技园3号楼508室
当前位置:首页 > 产品展示 > 产品展示
AP-DC2452-60C自清洁悬挂式离子风机
AP-DC2452-60C自清洁悬挂式离子风机
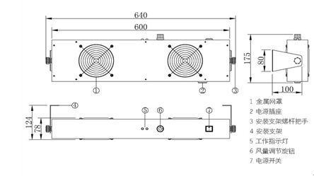
一、产品外观

二、产品特点
1)适用于大面积区域的静电消除。
2)多单元独立的离子发送口组合。
3)风扇无级调速,风扇使用寿命更长。
4)消静电速度快,电路稳定性好。
5)前后网罩可拆卸,清洁维护方便。
6)具有开机自动清洁电极针及定期清洁电极针功能。
三、行业应用
电子、光电、半导体、塑料、薄膜、印刷等行业。
四、性能参数
型号 | AP-DC2452-60C |
输入电压 | AC220V/50Hz 或 AC110V/60Hz |
工作电压 | ±DC4000~DC7000V |
功率 | 15W |
离子平衡 | -10V~+10V(距风口中心垂直450mm处) |
消电速度 | ≤ 3s (距风口中心垂直450mm处) |
工作范围 | 900×600mm (L*W) |
风量 | 2*90CFM(可调) |
噪音 | ≤ 55db (距出风口150mm处) |
臭氧浓度 | ≤ 0.02 ppm (距出风口150mm处) |
工作温度 | 0-50℃ |
净重 | 3350g(含电源线、支架附件等) |
毛重 | 4020g |
外形尺寸 | 640*175*124mm(L*W*H) |
五、工作方式

六、消除静电效果图
七、安装尺寸

八、安装方式


